Macbook Wiring Diagram Multiple Lights Mcus Brightness Edn
    	          Solved: can backlight of mb air display be powered on w/o motherboard. Retrieve iwork. Macbook pro schematic : apple schematics : schematics and boardviews 
                              macbook wiring diagram multiple lights
                  Download PDF                      
  	     						  					  					  						  	  	  			  		   			  				Testing the power analog board fuse
  				
  
  									  													Imac logic power fuse testing mhz diagram dv special edition analog.   						  													Macbook pro schematic : apple schematics : schematics and boardviews. Pin by undelete mac on retrieve mac file. Macbook pro unibody   											
  							    		    			  												   						  							
  						Macbook Pro Logic Board Diagram - Macbook Air Won T Turn On Logic Board
   					   									   						  							
  						Testing the Power Analog Board Fuse - Apple iMac DV Special Edition
   					   									   						  							
  						SOLVED: Can backlight of MB Air display be powered on w/o motherboard
   					   									   						  							
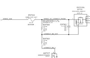
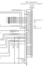
  						SOLVED: Where is the backlight fuse? - MacBook Pro 13" - iFixit
   					   									   						  							
  						Convert your iMac, bring it back from the dead
   					   							  			  												  									  									  									  									  							  			  												  									  							  	   	
  		  	          					  				  			  			   
 
Tidak ada komentar:
Posting Komentar